MIPI M-PHY HS-G4 IP (M-PHY v4.1) in TSMC 40G
By using efficient Burst mode operation with scalable speeds, significant power savings can be obtained. Selection of signal slew rate and amplitude allows reduction of EMI/RFI, while maintaining low bit error rates.
View MIPI M-PHY HS-G4 IP (M-PHY v4.1) in TSMC 40G full description to...
- see the entire MIPI M-PHY HS-G4 IP (M-PHY v4.1) in TSMC 40G datasheet
- get in contact with MIPI M-PHY HS-G4 IP (M-PHY v4.1) in TSMC 40G Supplier
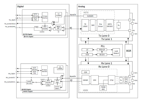
Block Diagram of the MIPI M-PHY HS-G4 IP (M-PHY v4.1) in TSMC 40G
MIPI M-PHY IP
- MIPI M-PHY G4 Type 1 2Tx2RX in TSMC (16nm, 12nm, N7, N6, N5, N4, N3A, N3E)
- MIPI M-PHY - TSMC 40nm
- UFS 4.0 Host Controller compatible with M-PHY 5.0 and UniPro 2.0
- UFS 3.0 Host Controller with AES Encryption compatible with M-PHY 4.0 and UniPro 1.8
- MIPI M-PHY G4 Type 1 2TX2RX in GF (12nm)
- MIPI M-PHY v4.1/v3.1 IP in TSMC(5nm, 6nm, 7nm, 12nm,16nm, 22nm, 28nm, 40nm, and 55nm)






